BowlingMarket 📞 +7 926 217 7023
BM
БОУЛИНГ МАРКЕТ
Оборудование и запчасти
+7 926 217 7023
БМ
  • QubicaAMF
    • Запчасти пинспоттеров | Pinspotter Parts
    • Оборудование зоны подхода | Front of Center Parts
    • Мини-боулинг | Mini Bowling
    • Крепёж и метизы | Hardware
    • Расходники и уход за дорожками | Supplies & Lane Care
    • Кегли | Bowling Pins
    • Системы подсчёта и управления | Scoring & Management System Parts
  • Brunswick
    • GS-Series Pinsetter Service Parts
    • Lane Machines
    • Framework Bowling Equipment Parts
    • Bowling Service Parts 2023
  • Другие
    • Аксессуары
    • Про Шоп

Закажите услугу специалиста

Выберите соответствующую услугу:

Телефон

Email *

Тема
Маска ввода

или позвоните

+7 926 217 7023

QubicaAMF Запчасти пинспоттеров | Pinspotter Parts Пинспоттер XLi EDGE | Pinspotter XLi EDGE Стол передней части | Front End Table
• Стол и Поперечина в сборе 42
• Стол и Кронштейн в сборе 18
• Тяга Стержень Кронштейн в сборе 29
• Передний Актуатор и Соединитель в сборе 9
• Стол и Переустановка Links в сборе 21
• Стол и Переустановка Cells в сборе 14
• Ячейка переустановки в сборе Cells 1 — 5 28
• Ячейка переустановки в сборе Ячейка 6 28
• Ячейка переустановки в сборе Cells 7 — 10 28
• X-Frame к Стол Connections в сборе 12
• Вилка и Чашка расстановки в сборе 40
Стол и Поперечина в сборе
42 позиций →
Стол и Поперечина в сборе | Table & Crossbeam Assembly
Стол и Кронштейн в сборе
18 позиций →
Стол и Кронштейн в сборе | Table & Bracket Assembly
Тяга Стержень Кронштейн в сборе
29 позиций →
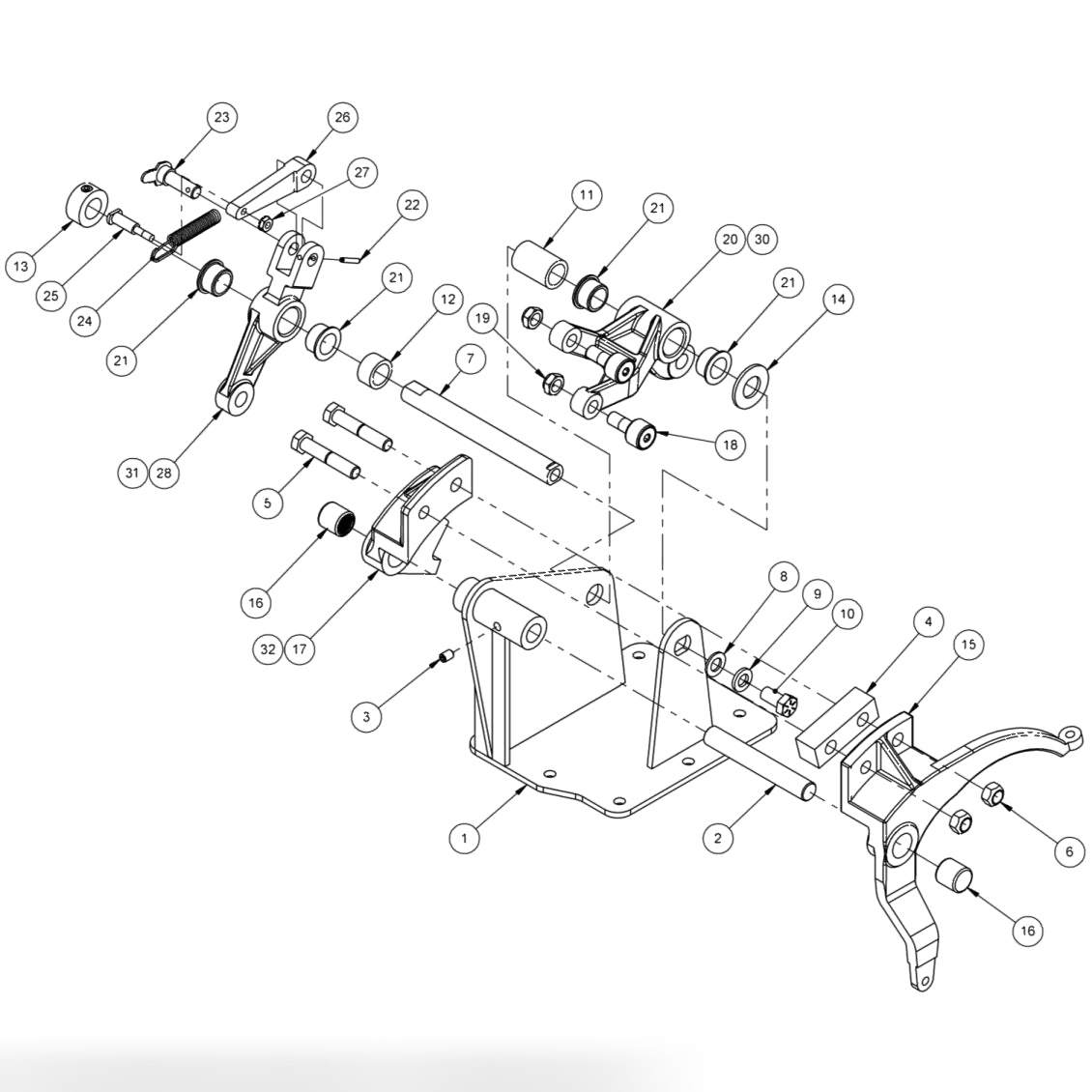
Тяга Стержень Кронштейн в сборе | Tie Rod Bracket Assembly
Передний Актуатор и Соединитель в сборе
9 позиций →
Передний Актуатор и Соединитель в сборе | Front Actuator & Connector Assemblies
Стол и Переустановка Links в сборе
21 позиций →
Стол и Переустановка Links в сборе | Table & Respot Links Assembly
Стол и Переустановка Cells в сборе
14 позиций →
Стол и Переустановка Cells в сборе | Table & Respot Cells Assembly
Ячейка переустановки в сборе Cells 1 — 5
28 позиций →
Ячейка переустановки в сборе Cells 1 — 5 | Respot Cell Assembly - Cells 1 Through 5
Ячейка переустановки в сборе Ячейка 6
28 позиций →
Ячейка переустановки в сборе Ячейка 6 | Respot Cell Assembly - Cell 6
Ячейка переустановки в сборе Cells 7 — 10
28 позиций →
Ячейка переустановки в сборе Cells 7 — 10 | Respot Cell Assembly - Cells 7 Through 10
X-Frame к Стол Connections в сборе
12 позиций →
X-Frame к Стол Connections в сборе | X-Frame to Table Connections Assembly
Вилка и Чашка расстановки в сборе
40 позиций →
Вилка и Чашка расстановки в сборе | Yoke & Spotting Cup Assembly
🏠 Главная 📦 Каталог 🛒 Корзина 👤 Кабинет ☰ Меню
Меню
Каталог
QubicaAMF Brunswick Все категории
Услуги
Монтаж и обслуживание Ремонт оборудования Обучение персонала
Информация
О компании Контакты Личный кабинет
📞 +7 926 217 7023 ✉️ mail@bowlingmarket.ru