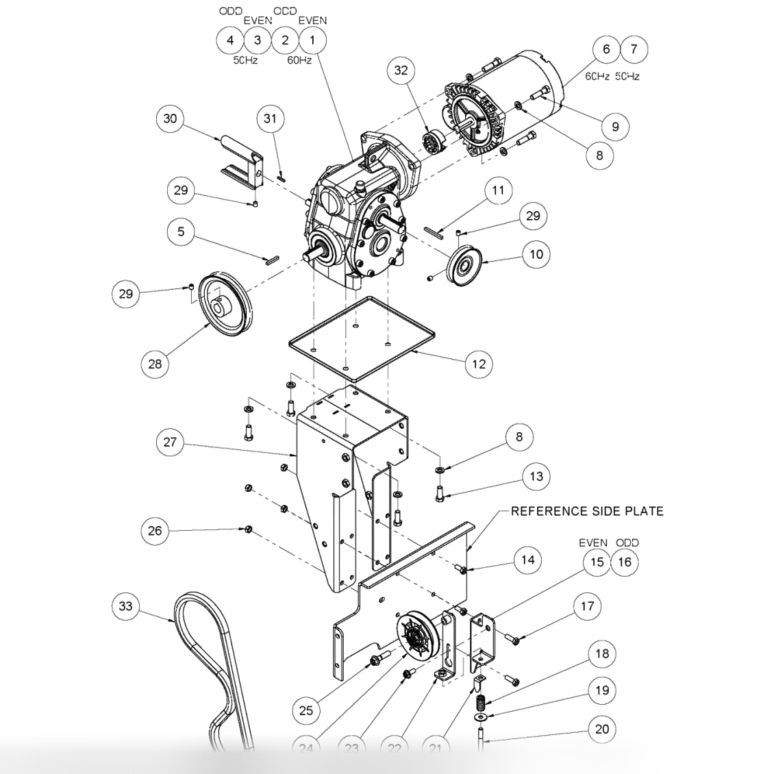
Положение схемы

Back End Drive Motor & Bracket Assembly

Поз. Артикул Фото Наименование Наличие
1
088004602
Back End Gearbox, Even Machine, 60Hz
Предзаказ
2
088004601
Back End Gearbox, Odd Machine, 60Hz
Предзаказ
3
088004607
Back End Gearbox, Even Machine, 50Hz
Предзаказ
4
088004606
Back End Gearbox, Odd Machine, 50Hz
Предзаказ
5
907201000
Square Key, 0.19 X 1.25
Предзаказ
6
090003766
Back End Motor (60Hz)
Предзаказ
6
090003766-01
Back End Motor, 60 Hz
Предзаказ
7
090007310-02
Motor Back End, 50 Hz
Предзаказ
8
951164002BG
Spring (Split) Lock Washer 3/8
Предзаказ
9
809865245BG
Cap Screw, Hex Head, 3/8-16 X 1.50
Предзаказ
10
000022172
Sheave Back End Drive
Предзаказ
11
907202600
Gear Shaft Square Key, 0.19 X 1.88
Предзаказ
12
088004650
Back End Motor Drip Pan
Предзаказ
13
809865165BG
Cap Screw, Hex Head, 3/8-16 X 1.00
Предзаказ
14
809857125BG
Cap Screw, Hex Head, 5/16-18 X 0.75
Предзаказ
15
088001539
Idler Mount, Even Machine
Предзаказ
16
088001534
Idler Mount, Odd Machine
Предзаказ
17
809857165BG
Cap Screw, Hex Head, 5/16-18 X 1.00
Предзаказ
18
088001823
Tension Spring
Предзаказ
19
7050034100006
11/32 x 1 Flat Washer
Предзаказ
20
809857445
Cap Screw, Hex Head, 5/16-18 X 2.75
Предзаказ
21
088001824
Idler Spring Indicator
Предзаказ
22
088001535
Idler Bar Weldment
Предзаказ
23
801757121
Frame Bolt, Hex Washer, 5/16-18 X 0.75, Grade 5
Предзаказ
24
088001825
Idler Pulley, 4-Inch
Предзаказ
25
801765241
Frame Bolt, Hex Head Flange, 3/8-16 X 1.50, Grade 8
Предзаказ
26
844057002BG
Curtain Protection Pad Hex Lock Nut, 5/16-18
Предзаказ
27
088001800
Back End Motor Mount Weldment
Предзаказ
28
088001822
Elevator Drive Sheave, 5-Inch
Предзаказ
29
807358060BG
Set Screw, Socket Head Cup Point, 5/16-24 X 0.38
Предзаказ
30
090001130
Distributor Drive Housing
Предзаказ
31
907200500
Square Key, 0.125 X 0.75
Предзаказ
32
612088225
Back End Gearbox Accessories Kit
Предзаказ
33
088001528
Hex V-Belt, 35"
Предзаказ
34
090004520
V-BELT, CARPET DRIVE
Предзаказ
-
090004557
End Bell Assembly 50 and 60Hz PSP
Предзаказ
-
090004558
Solid State Start Switch 50Hz
Предзаказ
-
090004560
Start Switch 60Hz
Предзаказ
-
785501616
Input Shaft Seal, Hub City and IPTS Gearboxes
Предзаказ
-
785503077
Front End Gearbox Oil Seal for Worm Input Shaft
Предзаказ
-
088004617
Oil Seal, PBL Distributor Shaft
Предзаказ
-
088004658
Oil Seal, Elevatorator Output Shaft
Предзаказ