BowlingMarket 📞 +7 926 217 7023
BM
БОУЛИНГ МАРКЕТ
Оборудование и запчасти
+7 926 217 7023
БМ
  • QubicaAMF
    • Запчасти пинспоттеров | Pinspotter Parts
    • Оборудование зоны подхода | Front of Center Parts
    • Мини-боулинг | Mini Bowling
    • Крепёж и метизы | Hardware
    • Расходники и уход за дорожками | Supplies & Lane Care
    • Кегли | Bowling Pins
    • Системы подсчёта и управления | Scoring & Management System Parts
  • Brunswick
    • GS-Series Pinsetter Service Parts
    • Lane Machines
    • Framework Bowling Equipment Parts
    • Bowling Service Parts 2023
  • Другие
    • Аксессуары
    • Про Шоп

Закажите услугу специалиста

Выберите соответствующую услугу:

Телефон

Email *

Тема
Маска ввода

или позвоните

+7 926 217 7023

QubicaAMF Запчасти пинспоттеров | Pinspotter Parts Пинспоттер 90 XLi | Pinspotter 90 XLi Компоненты передней части | Front End Components
• Рама передней части и Платформа в сборе Правый Машина 50
• Рама передней части и Платформа в сборе Левый Машина 50
• Привод передней части в сборе 48
• Соленоид и Шаттл Operating в сборе 58
• Привод стола в сборе 49
• Расстановка и Переустановка Тяги в сборе 33
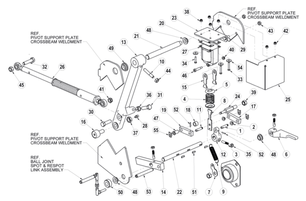
Рама передней части и Платформа в сборе Правый Машина
50 позиций →
Рама передней части и Платформа в сборе Правый Машина | Front End Frame & Platform Assembly - Right Hand Machine
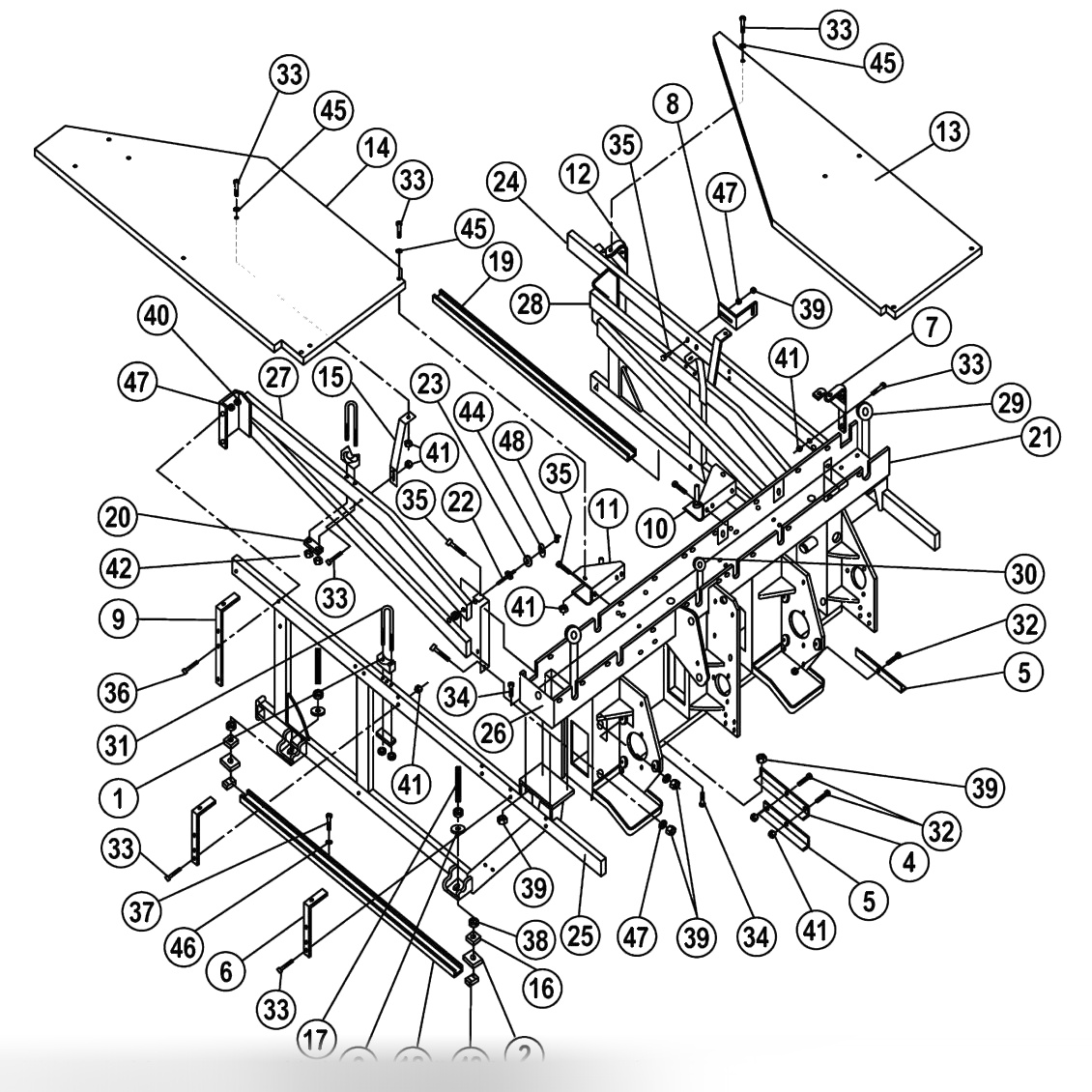
Рама передней части и Платформа в сборе Левый Машина
50 позиций →
Рама передней части и Платформа в сборе Левый Машина | Front End Frame & Platform Assembly - Left Hand Machine
Привод передней части в сборе
48 позиций →
Привод передней части в сборе | Front End Drive Assembly
Соленоид и Шаттл Operating в сборе
58 позиций →
Соленоид и Шаттл Operating в сборе | Solenoid & Shuttle Operating Assembly
Привод стола в сборе
49 позиций →
Привод стола в сборе | Table Drive Assembly
Расстановка и Переустановка Тяги в сборе
33 позиций →
Расстановка и Переустановка Тяги в сборе | Spot & Respot Linkages Assembly
🏠 Главная 📦 Каталог 🛒 Корзина 👤 Кабинет ☰ Меню
Меню
Каталог
QubicaAMF Brunswick Все категории
Услуги
Монтаж и обслуживание Ремонт оборудования Обучение персонала
Информация
О компании Контакты Личный кабинет
📞 +7 926 217 7023 ✉️ mail@bowlingmarket.ru