BowlingMarket 📞 +7 926 217 7023
BM
БОУЛИНГ МАРКЕТ
Оборудование и запчасти
+7 926 217 7023
БМ
  • QubicaAMF
    • Запчасти пинспоттеров | Pinspotter Parts
    • Оборудование зоны подхода | Front of Center Parts
    • Мини-боулинг | Mini Bowling
    • Крепёж и метизы | Hardware
    • Расходники и уход за дорожками | Supplies & Lane Care
    • Кегли | Bowling Pins
    • Системы подсчёта и управления | Scoring & Management System Parts
  • Brunswick
    • GS-Series Pinsetter Service Parts
    • Lane Machines
    • Framework Bowling Equipment Parts
    • Bowling Service Parts 2023
  • Другие
    • Аксессуары
    • Про Шоп

Закажите услугу специалиста

Выберите соответствующую услугу:

Телефон

Email *

Тема
Маска ввода

или позвоните

+7 926 217 7023

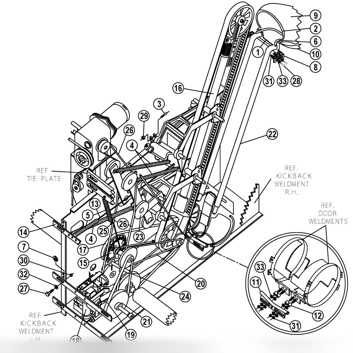
QubicaAMF Запчасти пинспоттеров | Pinspotter Parts Пинспоттер 90 XLi | Pinspotter 90 XLi Подъёмник шаров | Ball Lift
• PBL (Positive Ball Lift) 35
• PBL Assembly 87
• PBL Light Ball Sensor Assembly 71
• PBL Belt Tightener Assembly 14
• PBL Belt Tensioner Assembly 14
• PBL Belt Tensioner Assembly (OLD STYLE) 15
• PBL Ratchet Drive Assembly 32
• PBL Track Assembly 31
PBL (Positive Ball Lift)
35 позиций →
PBL (Positive Ball Lift)
PBL Assembly
87 позиций →
PBL Assembly
PBL Light Ball Sensor Assembly
71 позиций →
PBL Light Ball Sensor Assembly
PBL Belt Tightener Assembly
14 позиций →
PBL Belt Tightener Assembly
PBL Belt Tensioner Assembly
14 позиций →
PBL Belt Tensioner Assembly
PBL Belt Tensioner Assembly (OLD STYLE)
15 позиций →
PBL Belt Tensioner Assembly (OLD STYLE)
PBL Ratchet Drive Assembly
32 позиций →
PBL Ratchet Drive Assembly
PBL Track Assembly
31 позиций →
PBL Track Assembly
🏠 Главная 📦 Каталог 🛒 Корзина 👤 Кабинет ☰ Меню
Меню
Каталог
QubicaAMF Brunswick Все категории
Услуги
Монтаж и обслуживание Ремонт оборудования Обучение персонала
Информация
О компании Контакты Личный кабинет
📞 +7 926 217 7023 ✉️ mail@bowlingmarket.ru