BowlingMarket 📞 +7 926 217 7023
BM
БОУЛИНГ МАРКЕТ
Оборудование и запчасти
+7 926 217 7023
БМ
  • QubicaAMF
    • Запчасти пинспоттеров | Pinspotter Parts
    • Оборудование зоны подхода | Front of Center Parts
    • Мини-боулинг | Mini Bowling
    • Крепёж и метизы | Hardware
    • Расходники и уход за дорожками | Supplies & Lane Care
    • Кегли | Bowling Pins
    • Системы подсчёта и управления | Scoring & Management System Parts
  • Brunswick
    • GS-Series Pinsetter Service Parts
    • Lane Machines
    • Framework Bowling Equipment Parts
    • Bowling Service Parts 2023
  • Другие
    • Аксессуары
    • Про Шоп

Закажите услугу специалиста

Выберите соответствующую услугу:

Телефон

Email *

Тема
Маска ввода

или позвоните

+7 926 217 7023

QubicaAMF Запчасти пинспоттеров | Pinspotter Parts Пинспоттер 8290 - 90 XL | Pinspotter 8290 - 90 XL Стол передней части | Front End Table
• Стол в сборе Алюминиевый 55
• Стол и Поперечина в сборе Стальной 43
• Стол и Кронштейн в сборе 19
• Торсионная труба столаа в сборе Алюминиевый 30
• Кабельный канал столаа в сборе Алюминиевый 33
• Тяга Стержень Кронштейн в сборе 29
• Тяга Стержень в сборе 35
• Передний Актуатор и Соединитель в сборе 9
• Стол и Переустановка Links в сборе 14
• Стол и Переустановка Cells в сборе Стальной 14
• Ячейка переустановки в сборе Алюминиевый Стол 31
• Ячейка переустановки в сборе Cells 1 — 6 28
• Ячейка переустановки в сборе Cells 7 — 10 29
• X-Frame к Стол Connections в сборе 12
• Вилка и Чашка расстановки в сборе 40
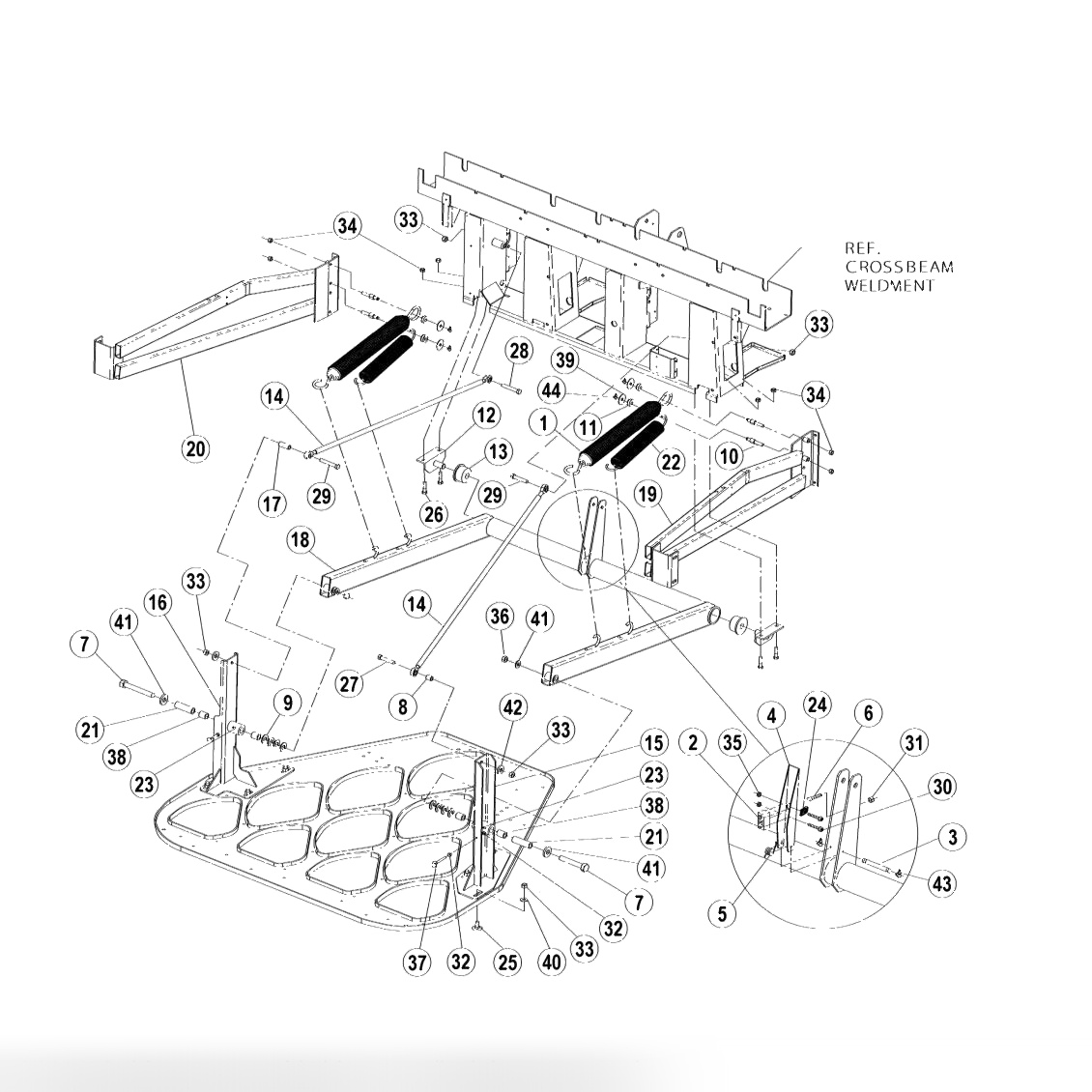
Стол в сборе Алюминиевый
55 позиций →
Стол в сборе Алюминиевый | Table Assembly - Aluminum
Стол и Поперечина в сборе Стальной
43 позиций →
Стол и Поперечина в сборе Стальной | Table & Crossbeam Assembly - Steel
Стол и Кронштейн в сборе
19 позиций →
Стол и Кронштейн в сборе | Table & Bracket Assembly
Торсионная труба столаа в сборе Алюминиевый
30 позиций →
Торсионная труба столаа в сборе Алюминиевый | Table Torque Tube Assembly - Aluminum
Кабельный канал столаа в сборе Алюминиевый
33 позиций →
Кабельный канал столаа в сборе Алюминиевый | Table Wireway Assembly - Aluminum
Тяга Стержень Кронштейн в сборе
29 позиций →
Тяга Стержень Кронштейн в сборе | Tie Rod Bracket Assembly
Тяга Стержень в сборе
35 позиций →
Тяга Стержень в сборе | Tie Rod Assemblies
Передний Актуатор и Соединитель в сборе
9 позиций →
Передний Актуатор и Соединитель в сборе | Front Actuator & Connector Assemblies
Стол и Переустановка Links в сборе
14 позиций →
Стол и Переустановка Links в сборе | Table & Respot Links Assembly
Стол и Переустановка Cells в сборе Стальной
14 позиций →
Стол и Переустановка Cells в сборе Стальной | Table & Respot Cells Assembly - Steel
Ячейка переустановки в сборе Алюминиевый Стол
31 позиций →
Ячейка переустановки в сборе Алюминиевый Стол | Respot Cell Assembly - Aluminum Table
Ячейка переустановки в сборе Cells 1 — 6
28 позиций →
Ячейка переустановки в сборе Cells 1 — 6 | Respot Cell Assembly - Cells 1 Through 6
Ячейка переустановки в сборе Cells 7 — 10
29 позиций →
Ячейка переустановки в сборе Cells 7 — 10 | Respot Cell Assembly - Cells 7 Through 10
X-Frame к Стол Connections в сборе
12 позиций →
X-Frame к Стол Connections в сборе | X-Frame to Table Connections Assembly
Вилка и Чашка расстановки в сборе
40 позиций →
Вилка и Чашка расстановки в сборе | Yoke & Spotting Cup Assembly
🏠 Главная 📦 Каталог 🛒 Корзина 👤 Кабинет ☰ Меню
Меню
Каталог
QubicaAMF Brunswick Все категории
Услуги
Монтаж и обслуживание Ремонт оборудования Обучение персонала
Информация
О компании Контакты Личный кабинет
📞 +7 926 217 7023 ✉️ mail@bowlingmarket.ru