BowlingMarket 📞 +7 926 217 7023
BM
БОУЛИНГ МАРКЕТ
Оборудование и запчасти
+7 926 217 7023
БМ
  • QubicaAMF
    • Запчасти пинспоттеров | Pinspotter Parts
    • Оборудование зоны подхода | Front of Center Parts
    • Мини-боулинг | Mini Bowling
    • Крепёж и метизы | Hardware
    • Расходники и уход за дорожками | Supplies & Lane Care
    • Кегли | Bowling Pins
    • Системы подсчёта и управления | Scoring & Management System Parts
  • Brunswick
    • GS-Series Pinsetter Service Parts
    • Lane Machines
    • Framework Bowling Equipment Parts
    • Bowling Service Parts 2023
  • Другие
    • Аксессуары
    • Про Шоп

Закажите услугу специалиста

Выберите соответствующую услугу:

Телефон

Email *

Тема
Маска ввода

или позвоните

+7 926 217 7023

QubicaAMF Запчасти пинспоттеров | Pinspotter Parts Пинспоттер 8270 | Pinspotter 8270 Компоненты передней части | Front End Components
• Привод передней части в сборе 76
• Расстановка и Переустановка Звено в сборе 24
• Расстановка и Переустановка Тяга Стержень Установка в сборе 30
• Противовесная пружина Петля Ремонт Комплект 3
• Щётка и Кулачковый переключатель столаа в сборе 14
• Переключатель в сборе Стол в сборе 21
• Привод стола в сборе 52
Привод передней части в сборе
76 позиций →
Привод передней части в сборе | Front End Drive Assembly
Расстановка и Переустановка Звено в сборе
24 позиций →
Расстановка и Переустановка Звено в сборе | Spot & Respot Link Assembly
Расстановка и Переустановка Тяга Стержень Установка в сборе
30 позиций →
Расстановка и Переустановка Тяга Стержень Установка в сборе | Spot & Respot Tie Rod Installation Assembly
Противовесная пружина Петля Ремонт Комплект
3 позиции →
Противовесная пружина Петля Ремонт Комплект | Counter Balance Spring Eye Repair Kit
Щётка и Кулачковый переключатель столаа в сборе
14 позиций →
Щётка и Кулачковый переключатель столаа в сборе | Sweep & Table Cam Switch Assembly
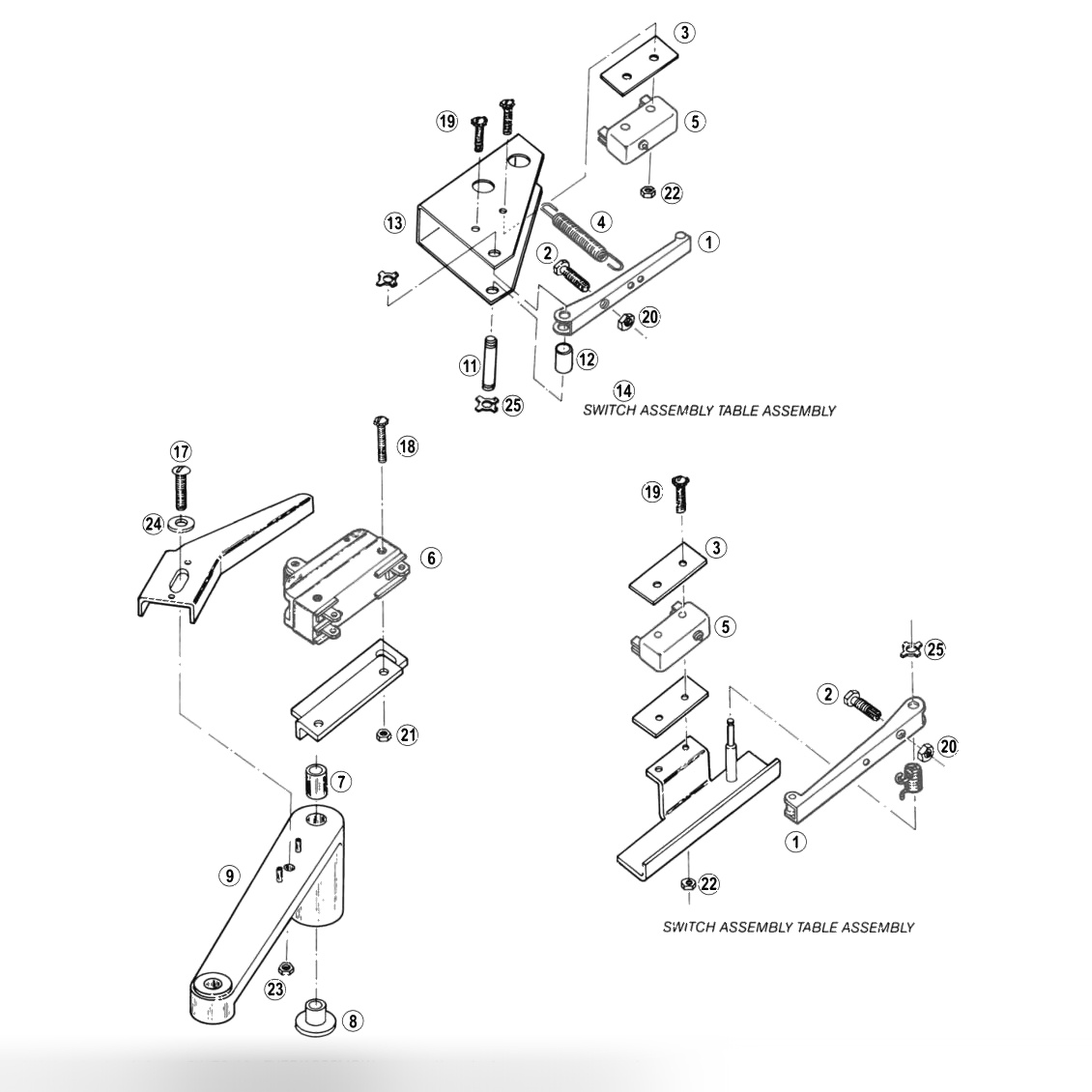
Переключатель в сборе Стол в сборе
21 позиций →
Переключатель в сборе Стол в сборе | Switch Assembly Table Assembly
Привод стола в сборе
52 позиций →
Привод стола в сборе | Table Drive Assembly
🏠 Главная 📦 Каталог 🛒 Корзина 👤 Кабинет ☰ Меню
Меню
Каталог
QubicaAMF Brunswick Все категории
Услуги
Монтаж и обслуживание Ремонт оборудования Обучение персонала
Информация
О компании Контакты Личный кабинет
📞 +7 926 217 7023 ✉️ mail@bowlingmarket.ru