BowlingMarket 📞 +7 926 217 7023
BM
БОУЛИНГ МАРКЕТ
Оборудование и запчасти
+7 926 217 7023
БМ
  • QubicaAMF
    • Запчасти пинспоттеров | Pinspotter Parts
    • Оборудование зоны подхода | Front of Center Parts
    • Мини-боулинг | Mini Bowling
    • Крепёж и метизы | Hardware
    • Расходники и уход за дорожками | Supplies & Lane Care
    • Кегли | Bowling Pins
    • Системы подсчёта и управления | Scoring & Management System Parts
  • Brunswick
    • GS-Series Pinsetter Service Parts
    • Lane Machines
    • Framework Bowling Equipment Parts
    • Bowling Service Parts 2023
  • Другие
    • Аксессуары
    • Про Шоп

Закажите услугу специалиста

Выберите соответствующую услугу:

Телефон

Email *

Тема
Маска ввода

или позвоните

+7 926 217 7023

QubicaAMF Запчасти пинспоттеров | Pinspotter Parts Пинспоттер 8270 | Pinspotter 8270 Подъёмник шаров | Ball Lift
• PBL (Positive Ball Lift) Assembly 57
• Подъёмник шаров в сборе 99
• Направляющий рельс в сборе 40
• PBL Belt Tensioner Assembly - New Version 15
• Натяжитель ремня в сборе Старый версия 19
• Натяжитель ремня в сборе 17
• Датчик лёгкого шара в сборе 79
• Храповик в сборе 33
• Толкающий подъёмник шаров в сборе 136
• Толкающие ролики 7
• Регулируемая скорость Руль Шкив 1
• Spring Loaded Drive Link Assembly & PBL Mini Conversion Kit 7
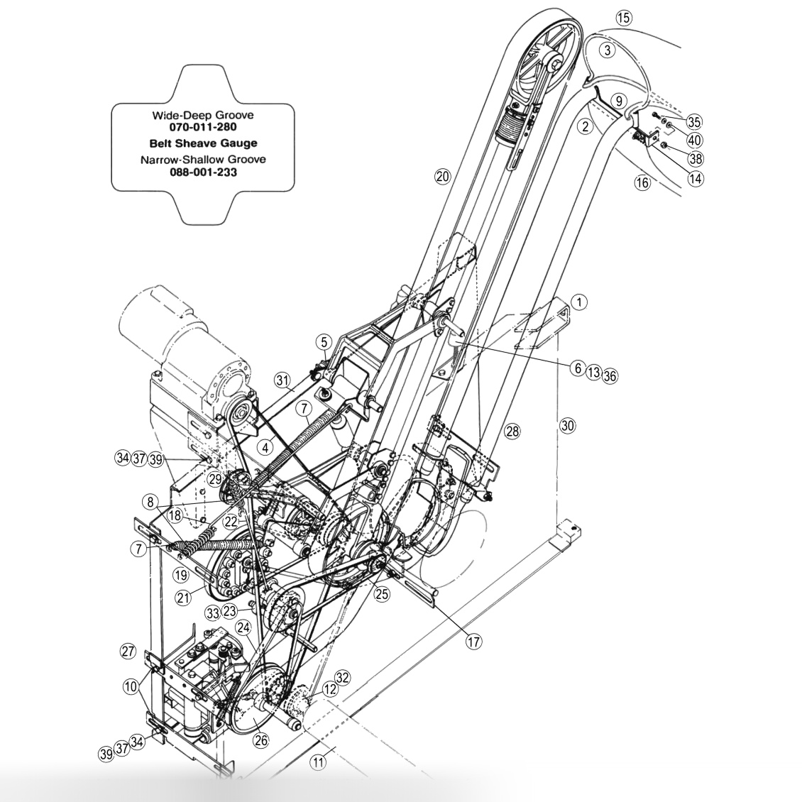
PBL (Positive Ball Lift) Assembly
57 позиций →
PBL (Positive Ball Lift) Assembly
Подъёмник шаров в сборе
99 позиций →
Подъёмник шаров в сборе | Ball Lift Assembly
Направляющий рельс в сборе
40 позиций →
Направляющий рельс в сборе | Track Rail Assembly
PBL Belt Tensioner Assembly - New Version
15 позиций →
PBL Belt Tensioner Assembly - New Version
Натяжитель ремня в сборе Старый версия
19 позиций →
Натяжитель ремня в сборе Старый версия | Belt Tensioner Assembly - Old Version
Натяжитель ремня в сборе
17 позиций →
Натяжитель ремня в сборе | Belt Tightener Assembly
Датчик лёгкого шара в сборе
79 позиций →
Датчик лёгкого шара в сборе | Light Ball Sensor Assembly
Храповик в сборе
33 позиций →
Храповик в сборе | Ratchet Assembly
Толкающий подъёмник шаров в сборе
136 позиций →
Толкающий подъёмник шаров в сборе | Kicker Ball Lift Assembly
Толкающие ролики
7 позиций →
Толкающие ролики | Kicker Rollers
Регулируемая скорость Руль Шкив
1 позиция →
Регулируемая скорость Руль Шкив | Adjustable Speed Rudder Sheave
Spring Loaded Drive Link Assembly & PBL Mini Conversion Kit
7 позиций →
Spring Loaded Drive Link Assembly & PBL Mini Conversion Kit
🏠 Главная 📦 Каталог 🛒 Корзина 👤 Кабинет ☰ Меню
Меню
Каталог
QubicaAMF Brunswick Все категории
Услуги
Монтаж и обслуживание Ремонт оборудования Обучение персонала
Информация
О компании Контакты Личный кабинет
📞 +7 926 217 7023 ✉️ mail@bowlingmarket.ru