BowlingMarket 📞 +7 926 217 7023
BM
БОУЛИНГ МАРКЕТ
Оборудование и запчасти
+7 926 217 7023
БМ
  • QubicaAMF
    • Запчасти пинспоттеров | Pinspotter Parts
    • Оборудование зоны подхода | Front of Center Parts
    • Мини-боулинг | Mini Bowling
    • Крепёж и метизы | Hardware
    • Расходники и уход за дорожками | Supplies & Lane Care
    • Кегли | Bowling Pins
    • Системы подсчёта и управления | Scoring & Management System Parts
  • Brunswick
    • GS-Series Pinsetter Service Parts
    • Lane Machines
    • Framework Bowling Equipment Parts
    • Bowling Service Parts 2023
  • Другие
    • Аксессуары
    • Про Шоп

Закажите услугу специалиста

Выберите соответствующую услугу:

Телефон

Email *

Тема
Маска ввода

или позвоните

+7 926 217 7023

QubicaAMF Запчасти пинспоттеров | Pinspotter Parts Пинспоттер 8270 | Pinspotter 8270 Задняя часть | Back End
• Пластина отбойника в сборе 58
• Пластина отбойника в сборе Противоположная сторона выхода шар 61
• Детали задней части 24
• Кронштейн двигателя в сборе 53
• Двигатели задней части в сборе 65
• Блок управления задней части в сборе 21
• Кегельный элеватор в сборе 52
• Регулируемая скорость Шкив 1
• Чехол подушки на липучке 3
• Подушка Амортизатор и Опора шторы в сборе 59
• Bounce Пластина и Ролик в сборе 43
• Carpet Belts 3
• Специальные инструменты Яма и Подушка 5
Пластина отбойника в сборе
58 позиций →
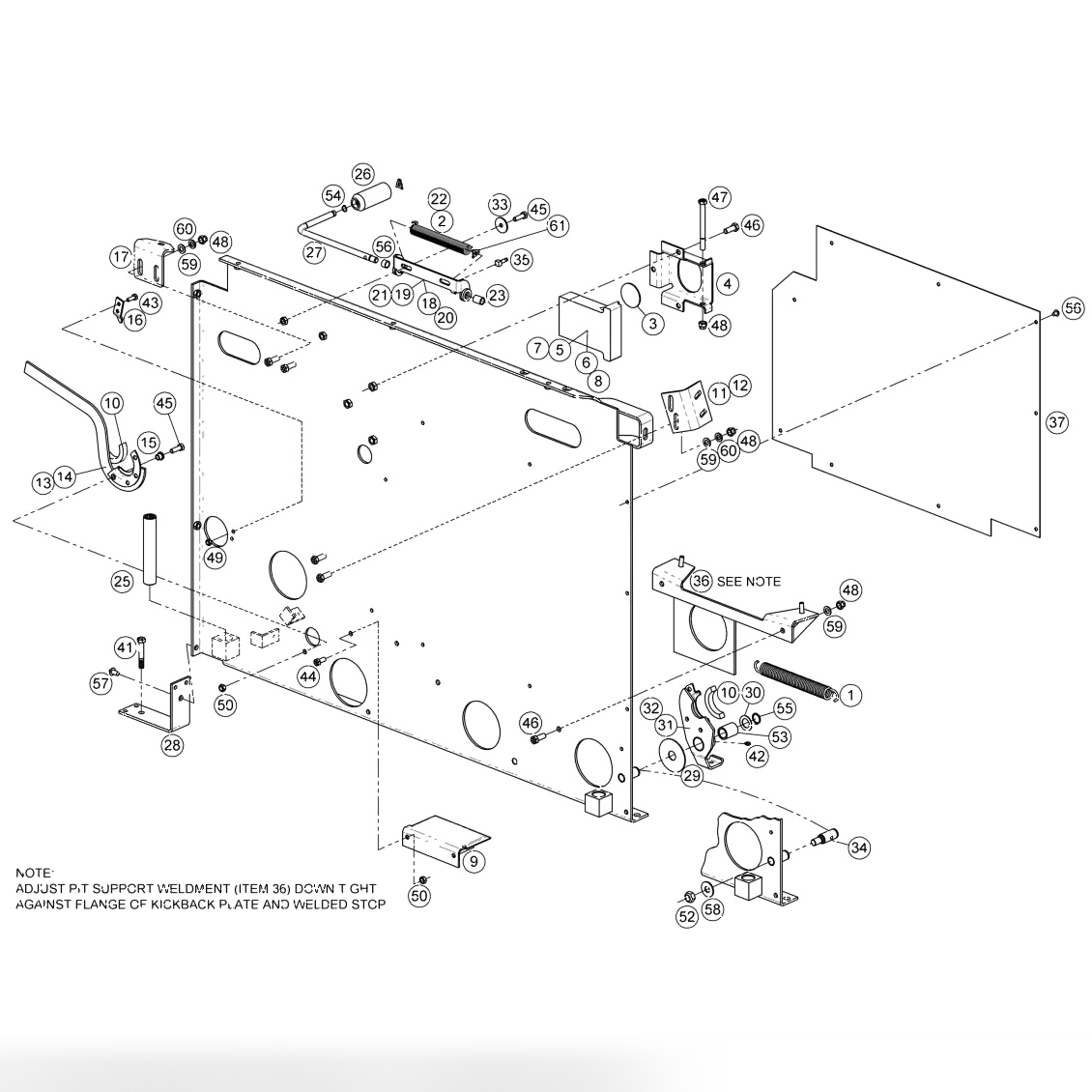
Пластина отбойника в сборе | Kickback Plate Assembly
Пластина отбойника в сборе Противоположная сторона выхода шар
61 позиций →
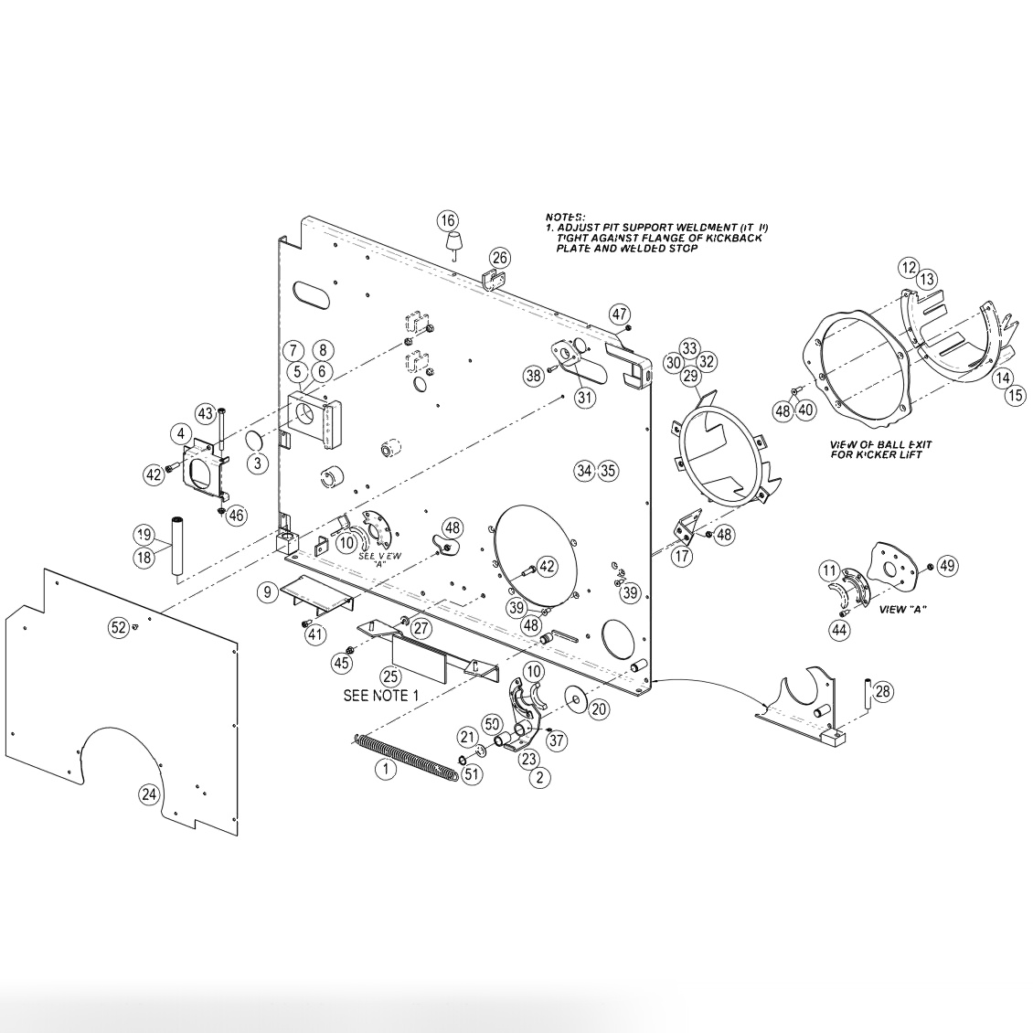
Пластина отбойника в сборе Противоположная сторона выхода шар | Kickback Plate Assembly - Opposite Ball Exit Side Assembly
Детали задней части
24 позиций →
Детали задней части | Back End Assembly Parts
Кронштейн двигателя в сборе
53 позиций →
Кронштейн двигателя в сборе | Motor Bracket Assembly
Двигатели задней части в сборе
65 позиций →
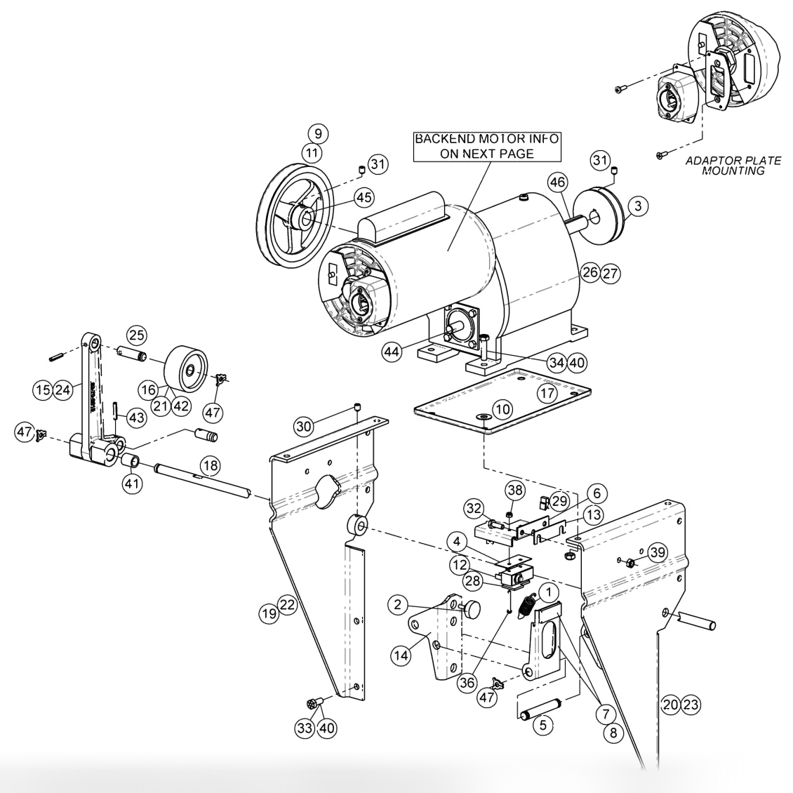
Двигатели задней части в сборе | Back End Motors Assembly
Блок управления задней части в сборе
21 позиций →
Блок управления задней части в сборе | Back End Control Box Assembly
Кегельный элеватор в сборе
52 позиций →
Кегельный элеватор в сборе | Pin Elevator Assembly
Регулируемая скорость Шкив
1 позиция →
Регулируемая скорость Шкив | Adjustable Speed Sheave
Чехол подушки на липучке
3 позиции →
Чехол подушки на липучке | Velcro Cushion Cover
Подушка Амортизатор и Опора шторы в сборе
59 позиций →
Подушка Амортизатор и Опора шторы в сборе | Cushion - Shock Absorber & Curtain Support Assemblies
Bounce Пластина и Ролик в сборе
43 позиций →
Bounce Пластина и Ролик в сборе | Bounce Plate & Roller Assemblies
Carpet Belts
3 позиции →
Carpet Belts | Carpet Belts
Специальные инструменты Яма и Подушка
5 позиций →
Специальные инструменты Яма и Подушка | Special Tools - Pit & Cushion
🏠 Главная 📦 Каталог 🛒 Корзина 👤 Кабинет ☰ Меню
Меню
Каталог
QubicaAMF Brunswick Все категории
Услуги
Монтаж и обслуживание Ремонт оборудования Обучение персонала
Информация
О компании Контакты Личный кабинет
📞 +7 926 217 7023 ✉️ mail@bowlingmarket.ru