BowlingMarket 📞 +7 926 217 7023
BM
БОУЛИНГ МАРКЕТ
Оборудование и запчасти
+7 926 217 7023
БМ
  • QubicaAMF
    • Запчасти пинспоттеров | Pinspotter Parts
    • Оборудование зоны подхода | Front of Center Parts
    • Мини-боулинг | Mini Bowling
    • Крепёж и метизы | Hardware
    • Расходники и уход за дорожками | Supplies & Lane Care
    • Кегли | Bowling Pins
    • Системы подсчёта и управления | Scoring & Management System Parts
  • Brunswick
    • GS-Series Pinsetter Service Parts
    • Lane Machines
    • Framework Bowling Equipment Parts
    • Bowling Service Parts 2023
  • Другие
    • Аксессуары
    • Про Шоп

Закажите услугу специалиста

Выберите соответствующую услугу:

Телефон

Email *

Тема
Маска ввода

или позвоните

+7 926 217 7023

QubicaAMF Оборудование зоны подхода | Front of Center Parts Lane Машины | Lane Machines Summit S Рама и Body | Frame & Body
• FRAME ASSEMBLY - OIL TANK ASSEMBLY 10
• FRAME ASSEMBLY 43
• FRAME ASSEMBLY – SIDE PLATE 32
• FRAME ASSEMBLY – SIDE PLATE 2 32
• FRAME ASSEMBLY – STOP SWITCH ASSEMBLY 14
• BODY ASSEMBLY - OIL TANK LINKAGE SYSTEM 17
• TRANSFER ROLLER ASSEMBLY 21
• BRUSH - CLEANER PAD - TRANSFER ROLLER - VACUUM HEAD - VACUUM MOTOR - WASTE TANK 29
• FRONT PLATE ASSEMBLY - FRONT VIEW 20
• FRONT PLATE ASSEMBLY - REAR VIEW 18
• SPRING AND CAP ASSEMBLY 3
• CENTERING GUIDE PLATE ASSEMBLY 5
• TRIP ARM ASSEMBLY 10
• FINAL ASSEMBLY 19
• HANDLE ASSEMBLY 20
• BUFFER PRESSURE ADJUSTING TOOL 2
FRAME ASSEMBLY - OIL TANK ASSEMBLY
10 позиций →
FRAME ASSEMBLY - OIL TANK ASSEMBLY | FRAME ASSEMBLY - OIL TANK ASSEMBLY
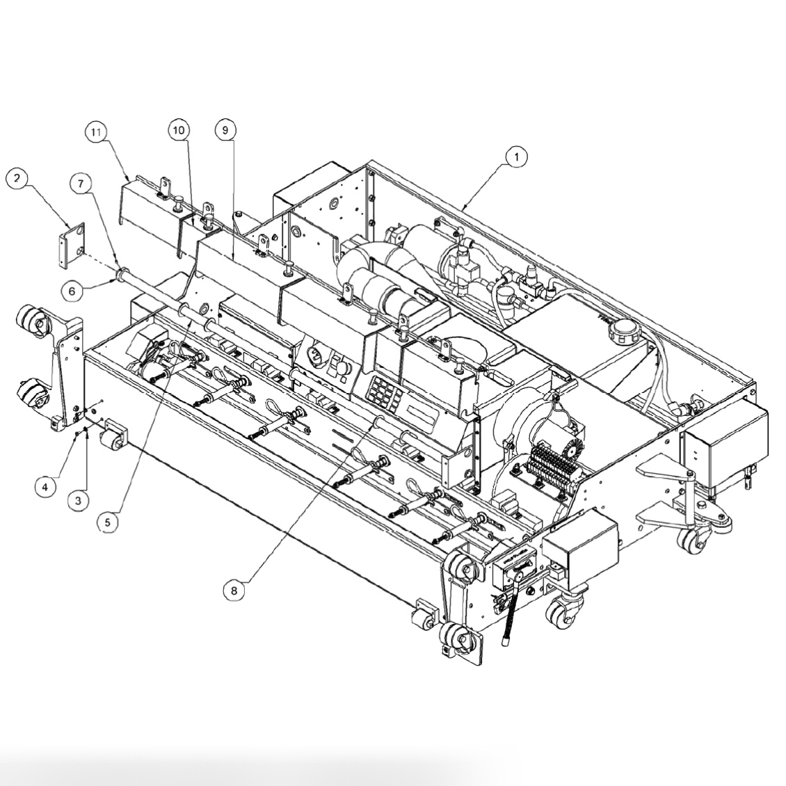
FRAME ASSEMBLY
43 позиций →
FRAME ASSEMBLY | FRAME ASSEMBLY
FRAME ASSEMBLY – SIDE PLATE
32 позиций →
FRAME ASSEMBLY – SIDE PLATE | FRAME ASSEMBLY – SIDE PLATE
FRAME ASSEMBLY – SIDE PLATE 2
32 позиций →
FRAME ASSEMBLY – SIDE PLATE 2 | FRAME ASSEMBLY – SIDE PLATE 2
FRAME ASSEMBLY – STOP SWITCH ASSEMBLY
14 позиций →
FRAME ASSEMBLY – STOP SWITCH ASSEMBLY | FRAME ASSEMBLY – STOP SWITCH ASSEMBLY
BODY ASSEMBLY - OIL TANK LINKAGE SYSTEM
17 позиций →
BODY ASSEMBLY - OIL TANK LINKAGE SYSTEM | BODY ASSEMBLY - OIL TANK LINKAGE SYSTEM
TRANSFER ROLLER ASSEMBLY
21 позиций →
TRANSFER ROLLER ASSEMBLY | TRANSFER ROLLER ASSEMBLY
BRUSH - CLEANER PAD - TRANSFER ROLLER - VACUUM HEAD - VACUUM MOTOR - WASTE TANK
29 позиций →
BRUSH - CLEANER PAD - TRANSFER ROLLER - VACUUM HEAD - VACUUM MOTOR - WASTE TANK | BRUSH - CLEANER PAD - TRANSFER ROLLER - VACUUM HEAD - VACUUM MOTOR - WASTE TANK
FRONT PLATE ASSEMBLY - FRONT VIEW
20 позиций →
FRONT PLATE ASSEMBLY - FRONT VIEW | FRONT PLATE ASSEMBLY - FRONT VIEW
FRONT PLATE ASSEMBLY - REAR VIEW
18 позиций →
FRONT PLATE ASSEMBLY - REAR VIEW | FRONT PLATE ASSEMBLY - REAR VIEW
SPRING AND CAP ASSEMBLY
3 позиции →
SPRING AND CAP ASSEMBLY | SPRING AND CAP ASSEMBLY
CENTERING GUIDE PLATE ASSEMBLY
5 позиций →
CENTERING GUIDE PLATE ASSEMBLY | CENTERING GUIDE PLATE ASSEMBLY
TRIP ARM ASSEMBLY
10 позиций →
TRIP ARM ASSEMBLY | TRIP ARM ASSEMBLY
FINAL ASSEMBLY
19 позиций →
FINAL ASSEMBLY | FINAL ASSEMBLY
HANDLE ASSEMBLY
20 позиций →
HANDLE ASSEMBLY | HANDLE ASSEMBLY
BUFFER PRESSURE ADJUSTING TOOL
2 позиции →
BUFFER PRESSURE ADJUSTING TOOL | BUFFER PRESSURE ADJUSTING TOOL
🏠 Главная 📦 Каталог 🛒 Корзина 👤 Кабинет ☰ Меню
Меню
Каталог
QubicaAMF Brunswick Все категории
Услуги
Монтаж и обслуживание Ремонт оборудования Обучение персонала
Информация
О компании Контакты Личный кабинет
📞 +7 926 217 7023 ✉️ mail@bowlingmarket.ru