Положение схемы

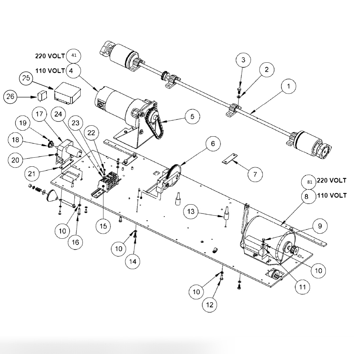
BASE PLATE ASSEMBLY - DRIVE MOTOR - BUFFER MOTOR - DRIVE SHAFT

Поз. Артикул Фото Наименование Наличие
1
SA0279
Drive Shaft Assembly
Предзаказ
2
01063
Medium Spring (Split) Lock Washer 5/16 ANSI, Zinc Finish
Предзаказ
3
7010003118075
Cap Screw, Hex Head, 5/16-18 X 0.75, Grade 5, Zinc Finish
Предзаказ
4
SA0259
Drive Motor Assembly, 110V Machine
Предзаказ
5
A0855
Chain, #35, 17-5/8 Length
Предзаказ
6
294002542
Counter Wheel Assembly
Предзаказ
7
A0073
Pillow Block Shim
Предзаказ
8
294116260
Assembly Motor w/Rings
Предзаказ
9
01115
Cap Screw, Hex Head, 1/4-20 X 0.50, Grade 5, Zinc Finish
Предзаказ
-
951148002BG
Spring (Split) Lock Washer 1/4
Предзаказ
11
01056
Flat Washer 1/4 X 0.30 X 0.75 X 0.05
Предзаказ
12
01046
Cap Screw, Hex Head, 1/4-20 X 0.75, Grade 5, Zinc Finish
Предзаказ
13
A8331
Tank Locating Pin
Предзаказ
14
01044
Cap Screw, Hex Head, 1/4-20 X 0.63, Grade 5, Zinc Finish
Предзаказ
15
02015
Sectional Terminal Block
Предзаказ
16
01048
Cap Screw, Hex Head, 1/4-20 X 1.00, Grade 5, Zinc Finish
Предзаказ
17
02767
Transfer Roller Motor
Предзаказ
18
294001006
Sprocket, #25, 14 Tooth, 3/8 Bore
Предзаказ
19
01188
Set Screw, Hex Socket Drive Cup Point, 10-24 X 0.25
Предзаказ
-
835549002BG
Hex Finish Jam Nut, 1/4-20
Предзаказ
21
294002082
Transfer Roller Motor Spacer
Предзаказ
22
01009
Machine Screw, Pan Head, 8-32 X 0.38
Предзаказ
23
951632060
External Tooth Lock Washer #8
Предзаказ
24
01109
Flat Washer #8 X 0.18 X 0.43 X 0.046 SAE, Zinc Finish
Предзаказ
25
294002120
30-VK6 RFI Power Line Filter (in 220V only)
Предзаказ
26
02038
Capacitor, 1.0'f, 250V (in 220V only)
Предзаказ
41
SA0291
Drive Motor Assembly, 220V Machine
Предзаказ
81
294002270
Buffer Motor Assembly, 220V
Предзаказ