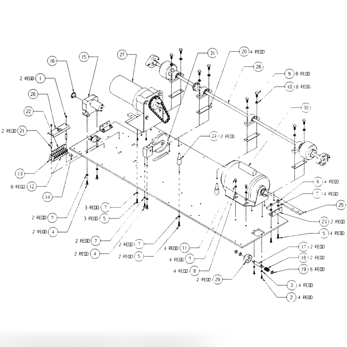
Положение схемы

DRIVE MOTOR BUFFER MOTOR DRIVE SHAFT

Поз. Артикул Фото Наименование Наличие
1
01008
#8-32 x 1/4 Pan HD Mach Screw
Предзаказ
2
01021
Machine Screw, Pan Head, 10-32 X 0.50
Предзаказ
-
957100002BG
External Tooth Lock Washer #10, Shakeproof
Предзаказ
4
01044
Cap Screw, Hex Head, 1/4-20 X 0.63, Grade 5, Zinc Finish
Предзаказ
5
01046
Cap Screw, Hex Head, 1/4-20 X 0.75, Grade 5, Zinc Finish
Предзаказ
-
835549002BG
Hex Finish Jam Nut, 1/4-20
Предзаказ
-
951148002BG
Spring (Split) Lock Washer 1/4
Предзаказ
8
01056
Flat Washer 1/4 X 0.30 X 0.75 X 0.05
Предзаказ
9
7010003118075
Cap Screw, Hex Head, 5/16-18 X 0.75, Grade 5, Zinc Finish
Предзаказ
10
01063
Medium Spring (Split) Lock Washer 5/16 ANSI, Zinc Finish
Предзаказ
11
01115
Cap Screw, Hex Head, 1/4-20 X 0.50, Grade 5, Zinc Finish
Предзаказ
12
02015
Sectional Terminal Block
Предзаказ
13
02016
Terminal Block End Section
Предзаказ
14
02078
Terminial Block Jumper
Предзаказ
15
02767
Transfer Roller Motor
Предзаказ
16
03001
Sprocket
Предзаказ
17
A0022
Base Plate Guide Roller
Предзаказ
18
A0024
Guide Roller Spring
Предзаказ
19
A0025
Base Plate Nylon Guide Roller Washer
Предзаказ
20
A0073
Pillow Block Shim
Предзаказ
21
A0468
Terminal BLock Cover Spacer
Предзаказ
22
A0579
Terminal Block Decal
Предзаказ
23
A0588
Frame Bracket
Предзаказ
24
A8331
Tank Locating Pin
Предзаказ
25
C0388
Base Plate
Предзаказ
26
SA0033D
Terminal Block Cover Asm
Предзаказ
27
SA0259
Drive Motor Assembly, 110V Machine
Предзаказ
28
SA0279
Drive Shaft Assembly
Предзаказ
29
SA1005
Guide Roller Assembly
Предзаказ
30
294116260
Assembly Motor w/Rings
Предзаказ
31
294002542
Counter Wheel Assembly
Предзаказ